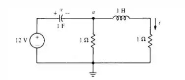
Calcule na Fig. 18.6, usando o circuito transformado.
Passo 1
Fala aí pessoal tudo blz?
Nessa questão ele pede para calcular em,

Só vem meu camarada.
Passo 2
Sabendo que,
Ficamos com V valendo
Espero ter ajudado, bons estudos e até a próxima.

Resposta