Calcule a indutância total dos circuitos mostrados na figura 12.85
Passo 1
Oieee, vamos lá calcular as indutâncias
Primeiro vamos lembrar que a indutância equivalente funciona igual com resistores, se for em série fica:
E se for em paralelo:
Agora vamos lááá
Passo 2
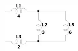
a) Primeiro temos esse circuito

Nesse caso, primeiro vamos calcular o paralelo de com :
Por fim, teremos os 3 indutores em série:
Passo 3
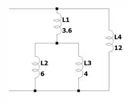
b) Agora vamos para esse circuito

Primeiro, temos em paralelo com :
E aí vai ficar em série com
Por fim, temos em paralelo com :
E acabamosss hehehe
Resposta
a)
b)