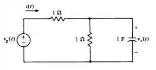
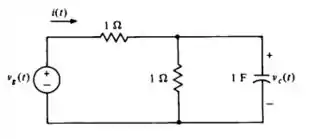
Calcule a resposta foçada no Problema 17.9, se é a função do Problema 17.1(c).

Passo 1
Nessa questão ele pede para calcular a resposta foçada no Problema 17.9, se é a função do Problema 17.1(c).

Se é a função

Aposto que você tá com essa cara né? Hahaha fica tranquilo e vem.
Passo 2
Sabendo que a função vale,
Temos,
Chegando em,
Espero ter ajudado, até próxima.

Resposta