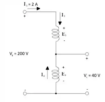
Calcule as tensões no primário e no secundário e as correntes no autotransformador visto na Figura 21.65.

Passo 1
Olá galerinha! Tudo bem com vocês? Vamos responder mais uma questão. Para responder essa questão precisamos começar encontrando as tensões da seguinte forma:
Ep = VL = 40 V
ES = VS – VL = 200 V – 40 V = 160 V
Passo 2
Continuando com a resolução da questão, procuramos agora as correntes da seguinte forma:
IS = I1 = 2A
VgI1 = VLIL
IL = (Vg/IL).I1 =
Ip + I1 = IL
Ip = 8A
Resposta
Ep = 40 V; ES = 160 V; IS = 2A; Ip = 8A