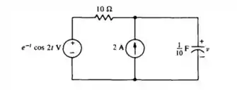
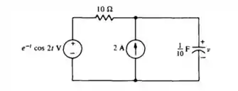
Calcule , para . Usando o método do circuito transformado, se .

Passo 1
Fala aí pessoal tudo blz?
Nessa questão ele pede para calcular , para , usando método do circuito transformado em que,


Só vem meu camarada.
Passo 2
Sabendo que,
, temos
Ficando com,
Espero ter ajudado, bons estudos e até a próxima.

Resposta