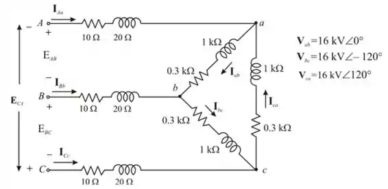
Para a carga conectada em mostrada na Figura 22.44

  1. Determine o mpodulo e o ângulo da fase das correntes de fase I a b ,   I b c   e   I c a .
  2. Calcule o módulo e o ângulo de fase das correntes de linha I A a ,   I B b   e   I C c .
  3. Determine o módulo e ângulo de fase das tensões I A B , I B C ,   e   I C A .

Passo 1

Alô Alô, galerinha do responde ai, tudo bem?

Bora lá

Segue o diagrama do circuito

Passo 2

  1. As impedâncias de fase são
  2. Z a b = Z b c = Z c a = Z ϕ = 0.3 k + j 1 k

    Z a b = Z b c = Z c a = Z ϕ = 300 + j 1000

    Z a b = Z b c = Z c a = Z ϕ = 1044.03 ∠ 73.3 °

    A corrente de fase ab é dada por

    I a b = V a b Z a b

    = 16   k V 1044.03 ∠ 73.3 °

    I a b = 15.33   ∠ - 73.3 °

    A corrente de fase bc é dada por

    I b c = V b c Z b c

    = 16   k V ∠ - 120 ° 1044.03 ∠ 73.3 °

    I b c = 15.33   ∠ - 19 3.3 °

    A corrente de fase ca é dada por

    I c a = V c a Z c a

    = 16   k V ∠ 120 ° 1044.03 ∠ 73.3 °

    I c a = 15.33   ∠ 46.7 °

    Passo 3

  3. Aplicando a análise no nó a da figura, iremos obter
  4. I A a - I a b + I c a = 0

    I A a = I a b - I c a

    I A a = 26.55   A   ∠ - 103.3 °

    Aplicando a análise no nó b da figura, iremos obter

    I B b - I a b + I b c = 0

    I A a = I b c - I a b

    I B b = 26.55   A   ∠ 136.7 °

    Aplicando a análise no nó c da figura, iremos obter

    I C c - I b c + I c a = 0

    I C c = I c a - I c b

    I C c = 26.55   A   ∠ 16.7 °

    Passo 4

  5. Aplicando a lei de tensão de Kirchhoff ao AabB no loop da figura, teremos

- E A B + I A a 10 + j 20 + V a b - I B b 10 + j 20 = 0

E A B = I A a 10 + j 20 - I B b 10 + j 20 + V a b

E A B = 26.55   A   ∠ - 103.3 ° 10 + J 20 - 26.55   A   ∠ 136 . 7 ° 10 + J 20 + 16   K v ∠   0 °

E A B = 26.55   A   ∠ - 103.3 ° 22.36 ∠ 63.434 ° - 26.55   A   ∠ 136.7 ° 22.36 ∠ 63.434 ° + 16   K v ∠   0 °

E A B = 17.01   k V ∠ - 0.59 °

Aplicando a lei de tensão de Kirchhoff ao BbcC no loop da figura, teremos

- E B C + I B b 10 + j 20 + V b c - I C c 10 + j 20 = 0

E B C = I B b 10 + j 20 - I C c 10 + j 20 + V b c

E A B = 26.55   A   ∠ 136.7 ° 22.36 ∠ 63.434 ° + 16   K v ∠ - 12 0 ° - 26.55   A   ∠ 16.7 ° 22.36 ∠ 63.434 °

E B C = 17.01   k V ∠ - 12 0.59 °

Aplicando a lei de tensão de Kirchhoff ao CcaA no loop da figura, teremos

- E C A + I C c 10 + j 20 + V c a - I A a 10 + j 20 = 0

E C A = I C c 10 + j 20 + V c a - I A a 10 + j 20

E C A = 26.55   A   ∠ 16.7 ° 22.36 ∠ 63.434 ° + 16   K v ∠ 12   0 ° - 26.55   A   ∠ - 103.3 ° 22.36 ∠ 63.434 °

E C A = 17.01   k V ∠ 119.41 °

Resposta

  1. I a b = 15.33   ∠ - 73.3 °

    I b c = 15.33   ∠ - 193.3 °

    I c a = 15.33   ∠ 46.7 °

  2. I A a = 26.55   A   ∠ - 103.3 °

    I B b = 26.55   A   ∠ 136.7 °

    I C c = 26.55   A   ∠ 16.7 °

E A B = 17.01   k V ∠ - 0.59 °

E B C = 17.01   k V ∠ - 120.59 °

E C A = 17.01   k V ∠ 119.41 °