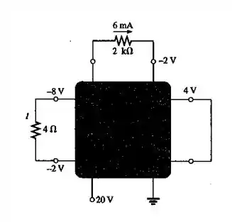
Para o circuito integrado mostrado na Figura 5.98, determine (módulo e sentido).

Passo 1
Falaaaaaa pessoal, show de bola??
Bora resolver esse exercício na maciotaaaaa, então siimboraa!!
- Analisando os terminais, encontraremos as tensões em cada terminal conforme necessário.
O terminal 0, está no potencial de terra. Portanto, a tensão neste terminal é zero.
Passo 2
Aplicando a lei de Ohm ao circuito iremos encontrar a tensão no terminal 4,
Portanto, a tensão no terminal 4 é
Passo 3
Determinaremos a tensão entre os terminais 1 e 0
Portanto, a tensão entre os terminais 1 e 0 é .
Determinaremos a tensão entre os terminais 2 e 3
Portanto, a tensão entre os terminais 2 e 3 é .
Determinaremos a tensão entre os terminais 3 e 0
Portanto, a tensão entre os terminais 3 e 0 é .
Determinaremos a tensão entre os terminais 6 e 7
Portanto, a tensão entre os terminais 6 e 7 é .
Determinaremos a tensão entre os terminais 5 e 6
Portanto, a tensão entre os terminais 5 e 6 é .
Passo 4
Iremos determinar agora a corrente no circuito
Portanto, a corrente no circuito é .
Portanto, as tensões e a corrente foram determinadas
Resposta
Portanto, a tensão neste terminal é zero.
Portanto, a tensão no terminal 4 é
Portanto, a tensão entre os terminais 1 e 0 é .
Portanto, a tensão entre os terminais 2 e 3 é .
Portanto, a tensão entre os terminais 3 e 0 é .
Portanto, a tensão entre os terminais 6 e 7 é .
Portanto, a tensão entre os terminais 5 e 6 é .
Portanto, a corrente no circuito é .