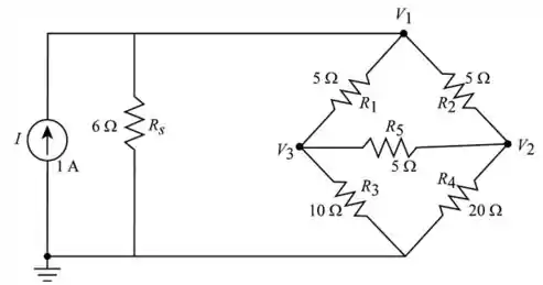
Para o circuito mostrado na Figura 8.118:
- Escreva as equações nodais usando a abordagem padronizada.
- Determine a corrente em .
- O circuito está equilibrado?
- A equação (8.4) foi satisfeita?
Passo 1
Falaaaaaa pessoal, show de bola??
Bora resolver esse exercício na maciotaaaaa, então siimboraa!!
Vamos redesenhar a rede da ponte como mostra a figura a seguir, (Figura 1).

Passo 2
- Vamos considerar o loop 1, na Figura 1 e iremos encontrar a tensão usando a análise nodal.
- Resolvendo a equação (1), equação (2), e equação (3), iremos encontrar os valores atuais correspondentes
- Através do valor da resistência , é . Para uma rede em ponte balanceada, o valor da tensão transversal deve ser zero. Portanto, a rede de ponte fornecida não é uma rede balanceada.
- Consideremos a seguinte expressão para a condição de equilíbrio da ponte.
Considerando o loop 2, na Figura 1 e iremos encontrar a tensão usando a análise nodal.
Considerando o loop 3, na Figura 1 e iremos encontrar a tensão usando a análise nodal.
Assim, a equação (2), equação (3), e equação (4) são as equações nodais para a configuração da ponte.
Onde, as equações nodais são calculadas para a configuração da ponte.
Passo 3
Resolvendo esse sisteminha, temos que:
Portanto, os valores atuais são .
Considere a seguinte fórmula e encontre a tensão através da resistência
Portanto, a tensão através do
Passo 4
Portanto, a rede de ponte fornecida não e balanceada.
Passo 5
Portanto, a rede de pontes dada não satisfaz a equação (8.4).
Resposta
- Assim, a equação (2), equação (3), e equação (4) são as equações nodais para a configuração da ponte.
- Portanto, a tensão através do
- Portanto, a rede de ponte fornecida não e balanceada.
- Portanto, a rede de pontes dada não satisfaz a equação (8.4).
Onde, as equações nodais são calculadas para a configuração da ponte.