Para o circuito mostrado na Figura 9.130, determine o valor de R para o qual ocorre a máxima transferência de potência para R e o valor dessa potência.
Passo 1
Falaaaaaa pessoal, show de bola??
Bora resolver esse exercício na maciotaaaaa, então siimboraa!!
- Curto circuite a fonte de tensão e abra a fonte de corrente para encontrar o valor do resistor de Thévenin
Redesenhe a figura como mostrado a seguir (Figura 1)

Vamos encontrar a resistência equivalente de Thévenin da rede
Portanto, o valor da resistência de Thévenin e o valor de R do circuito. Portanto, o valor de R é .
Passo 2
Aplique o teorema da superposição e encontre as tensões da Thévenin
Abra o circuito da fonte de corrente e encontre a tensão de Thévenin
Redesenhando como mostrado na figura a seguir (Figura 2).

Passo 2
A tensão através da dá o valor de
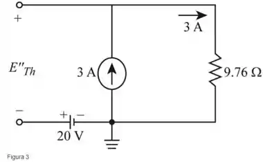
Curto circuite a fonte de tensão e encontre o valor da tensão de Thévenin
Redesenhando como mostrado na figura a seguir (Figura 3).

Passo 3
Aplicando a lei de Ohm e encontrando o valor de
Analisando a figura 2 e 3. A fonte de tensão e a corrente flui na mesma direção
Aplicando o teorema da transferência de potência máxima , iremos encontrar a potência máxima para R.
Portanto, a potência máxima para R é de 2.20 W.
Passo 4
- Curto circuite a fonte de tensão e encontre o valor do resistor de Thévenin
- Curto circuite a fonte de tensão e encontre o valor da tensão de Thévenin
Redesenhe o circuito como mostra a figura a seguir (Figura 5).

Passo 6
Encontraremos a resistência equivalente de Thévenin da rede
Portanto, o valor da resistência de Thévenin e o valor de R do circuito. Portanto, o valor de R é .
Passo 7
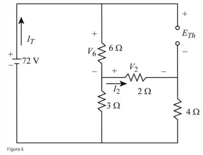
Redesenhe o circuito como mostra a figura a seguir (Figura 6).

Passo 5
Aplicando a lei de Ohm e iremos encontrar a corrente total
Aplicando a regra de divisor atual e encontrando o valor atual
Passo 6
Aplicando a lei de Ohm e encontrando a tensão no resistor de
Aplicando a lei de Ohm e encontrando a tensão no resistor de
Analisando a figura 7. A soma de dá o valor da tensão de Thévenin
Passo 7
Aplicando o teorema da transferência de potência máxima , iremos encontrar a potência máxima para R.
Portanto, a potência máxima para R é de 450 W.
Resposta
- Portanto, o valor da resistência de Thévenin e o valor de R do circuito. Portanto, o valor de R é .
- Portanto, a potência máxima para R é de 2.20 W.
- Portanto, o valor da resistência de Thévenin e o valor de R do circuito. Portanto, o valor de R é .
- Portanto, a potência máxima para R é de 450 W.