Para o circuito mostrado na Figura 9.133, desenhe o circuito equivalente de Thévenin para a parte do circuito externo ao resistor de carga

Passo 1
Falaaaaaa pessoal, show de bola??
Bora resolver esse exercício na maciotaaaaa, então siimboraa!!
Vamos desenhar o circuito modificado (Figura 1)

Calcularemos a resistência equivalente de Thevenin substituindo as fontes de tensão por curtos circuitos, conforme mostra a figura a seguir (Figura 2)

Passo 2
Pela Figura 2, a resistência equivalente de Thévenin é
Portanto, a resistência de Thévenin é
Passo 3
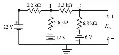
Vamos desenhar o diagrama do circuito para podermos calcular a tensão de Thévenin ( Figura 3)

Aplicando a lei de Kirchhoff das correntes no nó 1
Aplicando a lei das correntes de Kirchhoff no nó 2
Substituindo na expressão (1)
Da figura 3, a tensão de Thévenin é
Passo 4
Desenhando o circuito equivalente, temos (Figura 4)

Resposta
Vide a figura 4.