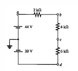
Para o circuito mostrado na Figura 5.97, determine as tensões :

Passo 1
Bora lá?
- Aplicaremos a lei de Ohm para determinar a corrente total e a tensão em cada resistor.
- Aplicando a lei das tensões de Kirchhoff e determinando as tensões
- Aplicando a lei das tensões de Kirchhoff e determinando as tensões
Calcularemos as tensões nos resistores
Aplicando a lei de tensão de Kirchhoff e determinando as tensões em .
Portanto, os valores , são , respectivamente.
Passo 2
Portanto, os valores de são , respectivamente.
Passo 3
Portanto, os valores são respectivamente
Resposta
- Portanto, os valores , são , respectivamente.
- Portanto, os valores de são , respectivamente.
- Portanto, os valores são respectivamente