Para o circuito ressonante em paralelo “ideal” visto na Figura 20.52:
a. Determine a frequência de ressonância ().
b. Calcule a tensão na ressonância.
c. Determine as correntes na ressonância.
d. Calcule .
Passo 1
Bom dia, boa tarde, boa noite galerinha, tudo certo? Bora lá resolver mais essa questão juntinhos!!
Primeiramente, temos que o valor da frequência de ressonância pode ser calculada através da seguinte fórmula:
A partir dos valores de L e C fornecidos na Figura 20.52 do livro, temos que:
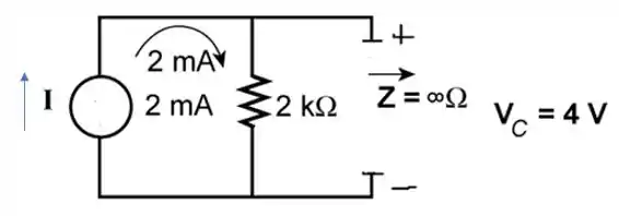
Passo 2
Para calcularmos a tensão na ressonância, podemos fazer uso do seguinte esquema:

Passo 3
Para encontrarmos o valor das correntes , utilizaremos as seguintes fórmulas:
Substituindo os valores, temos que:
Passo 4
Por fim, o valor de pode ser calculado através da seguinte fórmula:
Substituindo os valores, temos que:
Resposta
a. .
b. .
c. .
d. .