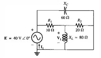
Para o circuito visto na Figura :
- Calcule a corrente .
- Calcule a tensão .
- Calcule a potência média fornecida ao circuito.

Passo 1
Opa pessoal, tudo certinho aí? Vamos analisar esta questão.
Podemos dividir o nosso circuito para três impedâncias. Temos que:
Para , temos que:
Calculando:
E para , temos que:
Passo 2
A impedância total, será:
E portanto, a corrente vale:
Passo 3
Para o item (b) queremos a tensão .
Aplicando a divisão de corrente para o circuito, temos que passa por e , portanto:
Substituindo os dados, temos que:
Aplicando a divisão de corrente para o circuito, temos que:
Substituindo e calculando, temos que:
Portanto, é dado por:
Passo 4
A potência média fornecida ao circuito vale:
Substituindo os valores, temos que:
Calculando, temos que:
Consegui te ajudar? Responde Aí.
Resposta
- .
- .