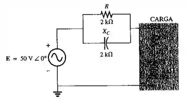
a. Para o circuito visto na Figura 18.131, determine o valor de que resulta em uma potência máxima na carga.
b. Usando os resultados do item (a), determine o valor da potência máxima na carga.

Passo 1
Fala, galera! Prontos para resolver essa questão de circuitos?
Primeiro, vamos chamar a impedância da carga que substitui de . Lembre-se que a máxima transferência de potência para carga ocorre quando . Logo, devemos obter o circuito equivalente de Thévenin para o circuito externo à carga de interesse.
Vamos listar as impedâncias desse circuito, externas à .
Passo 2
Vamos começar por . Desligando a fonte , obtemos um curto circuito em seu lugar. Com isso, ficamos apenas com associação de e em paralelo, de modo que:
Assim, e
Note que o exercício pede o valor da carga, e não de sua impedância. Portanto, teremos que:
Para determinar , devemos substituir a carga por um circuito aberto e analisar os terminais. Com isso, vemos que é igual a tensão de entrada
Logo, a potência máxima fornecida à carga é de: