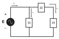
Para o circuito visto na Figura 19.51:
a. Calcule a potência total em watts, volts-ampères reativos e volts-ampères e .
b. Calcule a corrente .
c. Determine os componentes (e suas impedâncias) em cada retângulo. (Considere que os elementos dentro de cada retângulo estão em série).
Passo 1
Faaaaaala galerinha, tudo certo? Partiu resolver mais uma questãozinha!
Para calcularmos a potência total em watts, volts-ampères reativos e volts-ampères e , devemos fazer uso das seguintes fórmulas, respectivamente:
, sendo cada uma correspondente às cargas do circuito
Substituindo com os valores dados na figura, teremos:
Já o cálculo de se dá da seguinte maneira:
Passo 2
A partir do valor de encontrado no item (a), bem como do valor da tensão fornecida na figura do circuito, podemos calcular a corrente da seguinte maneira:
Substituindo os valores teremos e transformando em coordenada retangular, teremos:
Note que o valor é negativo pois de acordo com o valor de encontrado no item anterior, temos um circuito com fator de potência atrasado (se aproxima de 1).
Passo 3
Para determinar os componentes do circuito, adotaremos a seguinte esquemática de circuito:

- Para Z1:
- Para Z2:
- Para Z3:
Prontinho, finalizamos essa!!!! Vamos juntos resolver mais uma?
Resposta
a. , , e
b.
c.

Z1:
Z2: e
Z3: