a) Para o circuito visto na Figura 21.58, determine a reação de transformação necessária para que a potência fornecida ao alto-falante seja máxima.
a) Calcule a potência máxima fornecida ao alto-falante.

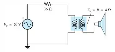
Figura 21.58
Passo 1
Olá galerinha, como primeiro passo da nossa resolução, vamos anotar as informações relevantes ao problema:
Passo 2
a) A relação de impedância nós já conhecemos da seção 21.5, onde ela é descrita pela equação 21.19, expressa por:
Como já conhecemos, só precisamos encontrar , que pode ser descrito por:
Passo 3
Agora que temos , vamos retornar à equação principal e isolar o “a”, que é o fator que queremos determinar:
como já possuímos todas as informações, podemos inserir os valores na equação acima e realizar o cálculo:
Passo 4
b) A potência será expressa por:
O é fornecido pelo problema, mas para calcular a potência, temos primeiramente que encontrar a tensão . Como já calculamos o a, podemos utilizar as equações 21.16 e 21.17 para escrever a relação:
Logo,
Sendo , temos que será:
Passo 5
Assim a potência será expressa por:
Resposta
a) ; b)