Desenhe o circuito equivalente de Norton para o circuito externo ao resistor R em cada um dor circuitos mostrados na Figura 9.128.
Passo 1
Alô Alô, galerinha do responde ai, tudo bem?
Bora lá
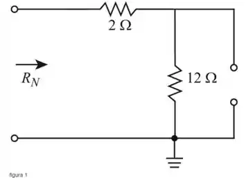
Abra a fonte de corrente de circuito e iremos encontrar o valor da resistência equivalente de Norton.
Vamos redesenhar o circuito, como mostra a Figura 1.

Vamos encontrar a resistência equivalente de Norton da rede
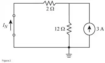
Redesenhando o circuito da mesma maneira que mostra a figura 2, iremos encontrar a corrente de Norton

Aplicando a regra de divisão atual e encontraremos o valor da corrente
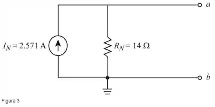
Desenhando o circuito equivalente de Norton como mostrado na figura 3

Passo 2
Abrindo a fonte de corrente de circuito, iremos encontrar o valor da resistência equivalente de Norton
Redesenhe a imagem como mostrado a seguir (Figura 4)

Vamos encontrar a resistência equivalente de Norton da rede
Vamos redesenhar o circuito como mostra a figura a seguir (Figura 5).

Passo 3
Aplicando a lei de Ohm iremos encontrar a corrente total
Como os valores de são iguais, a corrente total se divide igualmente pelos ramos
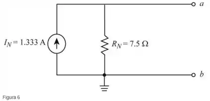
Vamos desenhar o circuito equivalente de Norton como mostra a figura a seguir (Figura 6)

Resposta
- Figura 3
- Figura 6