Desenhe o circuito equivalente de Norton para a parte do circuito externa ao resistor R em cada um dos circuitos vistos da Figura 9.132.
Passo 1
Boraaa galerinha, aniimaaa, vamos resolver mais um!!
Só bora então!!
Encostaaa!!
- Abra o circuito do resistor R e encontre o valor do resistor de Norton
- Curto circuite a fonte de tensão e abra o resistor R
Redesenhando como mostra na Figura 1

Encontraremos a resistência equivalente de Norton da rede
Redesenhe como mostrado na figura 2, e iremos encontrar a tensão de Norton

Passo 2
Iremos encontrar a resistência equivalente
Onde , nenhuma corrente flui através do resistor de e , portanto, pode ser desprezada
Aplicando a lei de Ohm, iremos encontrar a corrente total
Aplicando a regra de divisor de corrente
Aplicando a regra de divisão de corrente iremos encontrar a corrente que flui através do resistor 5
A corrente que flui em é a corrente de Norton
Desenhando o circuito equivalente de Thévenin (Figura 3)

Passo 3
Redesenhe como mostrado a seguir (Figura 4)

Encontrando a resistência equivalente de Norton
Aplicando o teorema da superposição iremos encontrar
Faça um curto circuito , e redesenhe como mostrado na figura a seguir (Figura 5).

Passo 2
Aplicando a lei de Ohm iremos encontrar a corrente total no circuito
Aplicando a regra de divisão de corrente
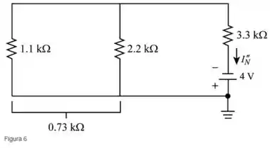
Faça um curto circuito , e redesenhe como mostra a figura a seguir (Figura 6)

Aplicando a lei de Ohm
Analisando a figura 5 e a figura 6. Ambas as tensões FLUEM NA MESMA DIREÇÃO
Desenhe o circuito equivalente, como mostra a figura 7.

Resposta
- Figura 3
- Figura 7