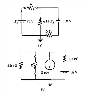
Desenhe o circuito equivalente de Thévenin para o circuito externo ao resistor R em cada um dos circuitos mostrados na Figura 9.129.

Passo 1
Falaaaaaa pessoal, show de bola??
Bora resolver esse exercício na maciotaaaaa, então siimboraa!!
- Vamos iniciar efetuando um curto circuito a fonte de tensão e iremos encontrar o valor do resistor de Thevenin

Figura 1
Passo 2
Vamos encontrar a resistência equivalente de Thévenin da rede
Vamos redesenhar e encontrar a tensão de Thévenin

Figura 2
O valor é a soma de e da tensão através do resistor de .
Aplicando a regra do divisor de tensão e encontrando a tensão no resistor de
Vamos redesenhar o circuito equivalente

Figura 3
Passo 3
b. Vamos iniciar efetuando um curto circuito a fonte de tensão e iremos encontrar o valor do resistor de Thevenin

Figura 4
Vamos encontrar a resistência equivalente de Thévenin da rede
Vamos redesenhar e encontrar a tensão de Thévenin

Figura 5
Aplicando a lei de Ohm iremos encontrar
Redesenhando

Figura 6
Aplicando a regra do divisor de tensão e encontrando
Analisando a figura 5 e 6. A fonte de tensão e corrente flui na direção oposta
Redesenhando o circuito equivalente de Thévenin

Figura 7
Resposta
Vide as figuras 3 e 7.