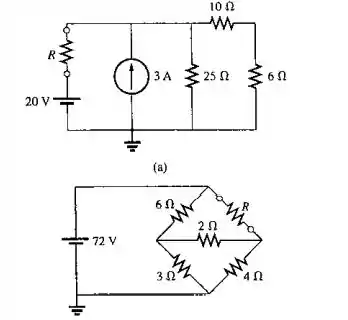
Desenhe o circuito equivalente de Thévenin para o circuito externo ao resistor R em cada um dos circuitos vistos na Figura 9.130

Passo 1
Alô Alô, galerinha do responde ai, tudo bem?
Bora lá
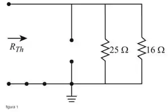
- Curto circuite a fonte de tensão e abra a fonte de corrente para encontrar o valor do resistor de Thévenin
- Curto circuite a fonte de tensão e encontre o valor do resistor de Thévenin
Redesenhe a figura como mostrado a seguir (Figura 1)

Passo 2
Vamos encontrar a resistência equivalente de Thévenin da rede
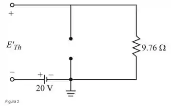
Aplique o teorema da superposição e encontre as tensões da Thévenin
Abra o circuito da fonte de corrente e encontre a tensão de Thévenin
Redesenhando como mostrado na figura a seguir (Figura 2).

Passo 3
A tensão através da dá o valor de
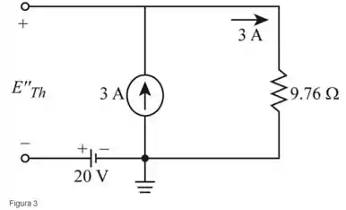
Curto circuite a fonte de tensão e encontre o valor da tensão de Thévenin
Redesenhando como mostrado na figura a seguir (Figura 3).

Passo 4
Aplicando a lei de Ohm e encontrando o valor de
Analisando a figura 2 e 3. A fonte de tensão e a corrente flui na mesma direção
Desenhando o circuito equivalente de Thévenin (Figura 4).

Passo 5
Redesenhe o circuito como mostra a figura a seguir (Figura 5).

Passo 2
Encontraremos a resistência equivalente de Thévenin da rede
Curto circuite a fonte de tensão e encontre o valor da tensão de Thévenin
Redesenhe o circuito como mostra a figura a seguir (Figura 6).

Passo 3
Aplicando a lei de Ohm e iremos encontrar a corrente total
Aplicando a regra de divisor atual e encontrando o valor atual
Passo 4
Aplicando a lei de Ohm e encontrando a tensão no resistor de
Aplicando a lei de Ohm e encontrando a tensão no resistor de
Analisando a figura 7. A soma de dá o valor da tensão de Thévenin

Resposta
- Figura 4
- Figura 7