Desenhe o circuito equivalente de Thévenin para a parte do circuito externo ao resistor R em cada um dos circuitos mostrados na Figura 9.130.,

Passo 1
Falaaaaaa pessoal, show de bola??
Bora resolver esse exercício na maciotaaaaa, então siimboraa!!
- Curto circuite a fonte de tensão e abra a fonte de corrente para encontrar o valor do resistor de Norton
- Curto circuite a fonte de tensão e encontre o valor do resistor de Norton
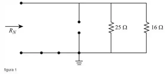
Redesenhe a figura como mostrado a seguir (Figura 1)

Passo 2
Vamos encontrar a resistência equivalente de Norton da rede
Aplique o teorema da superposição e encontre aa corrente de Norton
Abra o circuito da fonte de corrente e encontre a corrente de Norton
Redesenhando como mostrado na figura a seguir (Figura 2).

Passo 3
Vamos calcular a corrente que flui através do circuito
Curto circuite a fonte de tensão e encontre o valor da corrente de Norton
Redesenhando como mostrado na figura a seguir (Figura 3).

Passo 4
Onde, a corrente total flui através do curto circuito
Analisando a figura 2 e 3. A fonte de tensão e a corrente flui na mesma direção
Desenhando o circuito equivalente de Thévenin (Figura 4).

Passo 5
Redesenhe o circuito como mostra a figura a seguir (Figura 5).

Passo 2
Encontraremos a resistência equivalente de Norton da rede
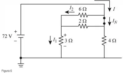
Redesenhe o circuito como mostra a figura a seguir (Figura 6).

Passo 3
Aplicando a lei de Ohm e iremos encontrar a corrente total
Aplicando a regra de divisor atual e encontrando o valor atual
Aplicando a regra de divisor atual e encontrando o valor atual
Passo 4
Analisando a figura 6, e escrevendo a equação para encontrar a corrente de Norton
Desenhando o circuito equivalente de Norton como mostrado na figura 7

Resposta
- Figura 4
- Figura 7