- Desenhe o equivalente de Norton para o circuito externo ao resistor R nos circuitos da Figura 9.129.
- Faça a conversão para o circuito equivalente de Thévenin e compare os valores assim obtido de com os encontrados no Problema 7.
Passo 1
E ai seres de luz, tudo bem?
Bora resolver mais uma?
Encostaaa!!
-
- Abra a fonte de corrente de circuito e encontraremos o valor da resistência equivalente de Norton. Vamos redesenhar o circuito como mostra a figura 1
- Usando a fórmula e comparando o circuito de Thévenin com o equivalente de Norton

Iremos encontrar a resistência equivalente de Norton da rede
Aplicando o teorema da superposição ao circuito. Curte circuite a fonte de tensão
Redesenhe a figura como mostrado a seguir (Figura 2), e encontraremos a corrente de Norton.

Passo 2
Aplicando a lei de Ohm iremos encontrar o valor de corrente
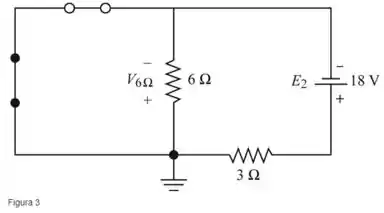
Curte circuite a fonte de Tensão
Redesenhe a figura como mostra a figura a seguir (Figura 3)

Durante o curto , o resistor de é ignorado e nenhuma corrente flui através dele
Aplicando a lei de Ohm e iremos encontrar o valor de corrente
Analisando a figura 2 e 3, ambas as fontes de tensão fluem no mesmo sentido
Vamos redesenhar o circuito equivalente de Norton como mostra a figura a seguir (Figura 4)

Passo 3
O valor da resistência de Thévenin deve ser igual ao valor da resistência de Norton, logo
Dessa maneira, o circuito de Thévenin é comparado ao equivalente de Norton.
Passo 4
- Abra o circuito da fonte de corrente e curte circuite a fonte de tensão para encontrar o valor do resistor de Norton
- Usando a seguinte expressão iremos comparar o circuito de Thévenin com o equivalente de Norton
Redesenhando o circuito como mostra a figura a seguir (Figura 5).

Aplicando o teorema da superposição iremos encontrar a corrente de Norton
Curto circuite a fonte de tensão e iremos encontrar a corrente de Norton
Redesenhando a figura, como mostra a seguir (Figura6)

Onde, a corrente total fluirá pelo caminho da corrente. Portanto, a corrente que flui é de 8 mA. Abra o circuito da fonte de corrente e iremos encontrar o valor da tensão de Norton.
Redesenhando como mostra a imagem a seguir (Figura 7).

Aplicando a lei de Ohm iremos encontrar :
Analisando a figura 5 e a figura 6. A fonte de tensão e corrente que flui na direção oposta
Desenharemos o circuito equivalente de Norton como mostra a figura 8

Passo 5
O valor de deve ser igual ao valor de
Assim, o circuito de Thévenin e comparado como o equivalente de Norton.
Resposta
Vide o passo a passo.