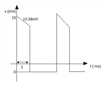
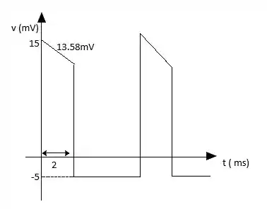
Desenhe a forma de onda de um pulso positivo com um nível de referência de -5 mV, uma largura de pulso de 2µs, uma amplitude de 15mV, uma inclinação de 10%, um período de 10 µs e bordas verticais.
Passo 1
Olá galera, tudo bem?
Vamos começar a resolver mais um exercício, bora lá então!
Esse exercício é esboço de gráfico, como ele solicita que o gráfico tenha uma inclinação e bordas vertical, a carinha desse gráfico ficará parecida ao exercício 24.51
Siga minha astúcia e vamos esboçar juntos!
Passo 2
Iniciaremos traçando os eixos e adicionando o nível de base que é -5mv ou seja sabemos que o gráfico deve começar abaixo de zero, do eixo vertical.
Logo depois adicionamos a largura do pulso que é 2 µs e pôr fim a amplitude que corresponde a 15 mV.
Vejamos como ficou nosso esboço:

Para finalizar temos que encontrar a tensão , através da inclinação de 10 %.
Vamos utilizar:
Onde:
V é o valor médio =
Sabemos que 10 % é a inclinação ou seja 0.1, aplicando a substituição teremos:
Aplicando meio por extremo:
Isolando
Substituindo
Adicionando esse valor em nosso esboço anterior teremos:

Ufa! acabamos essa, te vejo a próxima!
Resposta
