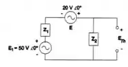
a. Determine o circuito equivalente de Thévenin para o circuito externo ao indutor visto na Figura 18.113.
b. Usando os resultados da parte (a), determine a corrente I no mesmo circuito.
Passo 1
a. Bom galera, segundo a imagem 18.113, temos

Passo 2
b. Agora, utilizando os resultados da parte (a) podemos encontrar o I, sendo que
Assim, vamos simplificando essa equação até chegarmos no resultado:
Prontinho, galera!!! Bora pra próxima??