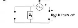
Determine o circuito equivalente de Thévenin para o circuito externo à reatância indutiva de 10 kOhms, visto na Figura 18.114.
Passo 1
Faaala, galerinha!! Bora resolver juntos essa questão??
Bom, aqui, nós temos que

Neste caso, teríamos
Passo 2
Para

Logo, temos que
Passo 3
Por fim, para E:

Prontinho!! Bora pra próxima?
Resposta
Resposta acima.