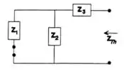
Determine o circuito equivalente de Thévenin para o circuito externo à reatância indutiva de 5k visto na Figura 18.123 (em função de V).

Passo 1
Pessoal, nesta questão temos que

Assim,
Prontinhoo, galera!! Encontramos o valor. Bora juntos pra próxima??
Resposta
10 V.