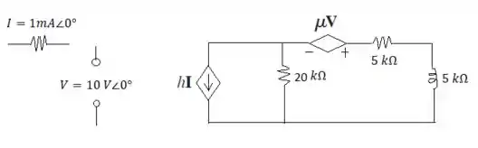
Determine o circuito equivalente de Thévenin para o circuito externo à reatância indutiva de 5 kΩ visto na Figura 18.116

Passo 1
Pata encontrar o equivalente de Thévenin, precisamos encontrar a fonte de tensão VTH e impedância equivalente ZTH. Começaremos com o ZTH. Para que isso seja possível deve-se matar as fontes de tensão e corrente seguindo as regras já estudadas, simplificando o cálculo da Impedância de Thévenin:

Passo 2
Feito isso, iremos calcular agora o valor da tensão de Thévenin. Para isso vamos usar a transformação de fontes no nosso circuito para facilitar ainda mais os cálculos:

Resposta
ZTH = 25 kΩ0°
VTH = -1800 V0°