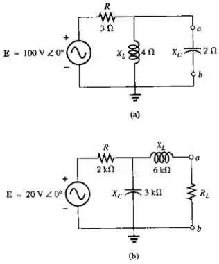
Determine o circuito equivalente de Thévenin para as partes dos circuitos vistos na Figura 18.120 externas aos elementos entre os pontos a e b.

Passo 1
Oieee, tudo bem, galera? Prontos para resolver mais uma questão juntos?
Começando pela letra A, vamos listar as impedâncias do circuito:
Como estamos interessados na parte externa ao terminal ab, podemos ignorar a impedância . Para determinar a impedância , devemos desligar as fontes e analisar a impedância resultante. Lembre-se que as fontes de corrente viram um circuito aberto e as fontes de tensão um circuito fechado, ok?
Note que desligando a fonte , e ficam em paralelo. Logo, teremos que:
A tensão é a mesma daquela sobre a impedância . Logo, devemos calcular o divisor de tensão entre e :
Tranquilo, né?
Passo 2
Já estamos preparados para seguir para a letra B. Começando pelas impedâncias do circuito:
A análise é similar, beleza? Desligando a fonte , teremos as seguintes associações de impedância:
Mais uma vez, a tensão é a mesma daquela sobre a impedância . Logo, devemos calcular o divisor de tensão entre e :
Resposta
a.
b.