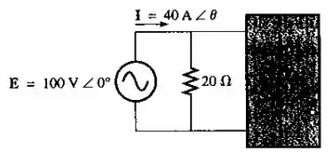
Determine qual o componente, ou componentes, que deve estar no interior da caixa vista na Figura para que satisfaça às seguintes condições (obtenha o circuito em paralelo mais simples que satisfaça a essas condições:
- Potência média fornecida ao circuito .
- O circuito tem um fator de potência atrasado.

Passo 1
Opa pessoal, tudo certinho aí? Vamos resolver esta questão.
O fator de potência é dado por:
Substituindo os valores, temos que:
Podemos calcular também o ângulo do fator de potência:
Passo 2
Sabendo o fator de potência e seu ângulo, podemos descobrir a admitância total do circuito:
Ou:
Passo 3
Sabendo que:
E que:
Temos que:
E:
Passo 4
Portanto, teríamos o seguinte circuito em paralelo:

Resposta
Ei, a resposta está no passo a passo :)