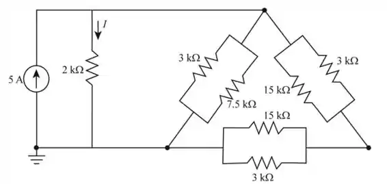
Determine a corrente para o circuito mostrado na Figura 8.124

Passo 1
Falaaaaaa pessoal, show de bola??
Bora resolver esse exercício na maciotaaaaa, então siimboraa!!
Considerando a seguinte fórmula e encontre o a resistência do modelo
Considerando a seguinte fórmula e encontre o a resistência do modelo
Considerando a seguinte fórmula e encontre o a resistência do modelo
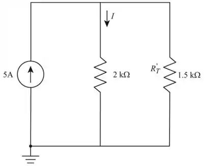
Passo 2
Redesenhando

Passo 3
Redesenhando

Considerando a seguinte expressão