Determine as correntes para os circuitos mostrados abaixo.

Passo 1
Oi oi, meu xuxuzinho!! Tudo bem com você?? Como está a família?? Tudo na paz?? Então vamos lá Vamos analisar o que a nossa questão nos pede e matar essa em 10 minutos?? Bora. Bom, nosso enunciado nos pede para analisarmos a figura e dizermos qual a relação das cargas. Parece muita coisa, mas é tranquilo. Partiu??
Passo 2
Ok, nosso primeiro passo vai ser lembrar quais são as regrinhas que definem o que é paralelo e série. Preparado?? Então vamos lá...
Toda vez que tivermos o encontro de dois ou mais fios, fazendo tipo um T na junção, vamos ter um nó. Sempre que duas cargas compartilham os mesmos nós, ou seja, cada perninha de uma carga está ligada num nó e a carga seguinte tem as perninhas no mesmo nó, elas estão em paralelo. Agora, se o fio só dobrar ou não tiver nada entre essas cargas, elas estão em série, como se fossem mãozinhas dadas.
E aii, ficou numa boa??
Passo 3
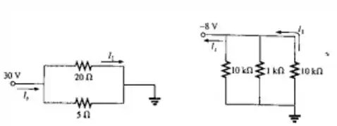
Pronto!! Agora vamos ver nossa figurinha!!
Os circuitos têm as resistências em paralelo. Então, vamos achar a resistência equivalente para encontrar a corrente de entrada e, depois, fazer o divisor de corrente para achar a do ramo.