a- Determine V para a fonte de corrente da Figura 8.94(a) com uma resistência interna de 10kΩ.
b- A fonte do item (a) pode ser substituída pela fonte de corrente ideal da Figura 8.94(b) e compare-as com a obtida no item (a). O uso da fonte de corrente ideal é uma boa aproximação?
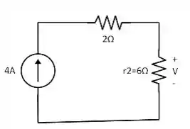
Passo 1
De acordo com a questão, a gente precisa descobrir a tensão V no circuito que tem uma fonte de corrente, para isso, a gente sabe que aplicando um divisor de corrente podemos encontrar a corrente Ir2 no resistor de 6Ω, que aqui chamo de r2, assim temos:

Passo 2
Logo, para encontrar Ir2, a gente usa o divisor de corrente:
Ir2= = 3,997A
Sabendo a corrente em r2, podemos calcular a tensão:
3,997A 6 Ω = 23,982V
Então Vr2 = 23,982V
Passo 3
Agora para a letra b, ao substituirmos a fonte com resistência interna por uma fonte ideal, temos:

Onde, Vr2= Ir2 6 Ω = 4A6 Ω= 24V
Resposta
Para a letra a: Vr2= 23,982V
Para a letra b: Vr2= 24V, ou seja, se comparado os dois circuitos, podemos afirmar que a fonte ideal é uma boa aproximação.