Determine a potência média, a potência reativa, a potência aparente e o fator de potência no circuito trifásico do Problema 4.
Passo 1
E ai seres de luz, tudo bem?
Bora resolver mais uma?
Encostaaa!!
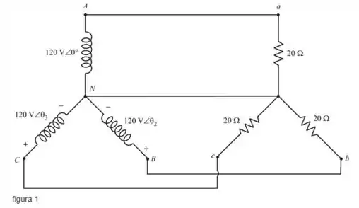
Como sabemos o circuito dado é

Passo 2
A magnitude da tensão de fase da carga é
A impedância da carga Y em cada perna é
Logo a corrente de fase da carga é dada como
Passo 3
A potência total é dada como
Portanto, a potência total da carga Y conectada é de
A potência reativa total em volt-ampere é dada como
Portanto, a carga total de energia reativa volt – ampere Y conectada é de .
Passo 4
O total de volt- ampere é dado como
Portanto, a potência total em volt – ampere Y conectada é de .
O fator de potência é dado como
Portanto, o fator de potência na carga é de
Resposta
Portanto, a potência total da carga Y conectada é de
Portanto, a carga total de energia reativa volt – ampere Y conectada é de .
Portanto, a potência total em volt – ampere Y conectada é de .
Portanto, o fator de potência na carga é de