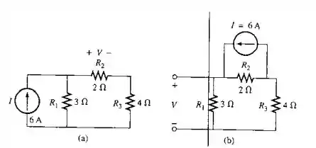
- Determine a tensão V para o circuito mostrado na Figura 9.150(a).
- Repita o item (a) para o circuito mostrado na Figura 9.150 (b).
- O dual teorema da reciprocidade foi atendido?

Passo 1
Alô Alô, galerinha do responde ai, tudo bem?
Bora lá
- Vamos começar redesenhando o circuito
- Vamos converter a fonte de corrente em paralelo em uma fonte de tensão em série com
- Como o valor da corrente é o mesmo nas partes (a) e (b), pode se verificar o dual teorema da reciprocidade.

Usando a regra do divisor de corrente , iremos obter
Agora a tensão
Portanto, a tensão é .
Passo 2
Agora o circuito é mostrado da seguinte maneira:

Aplicando a análise de malha ao circuito
A tensão é
Portanto, a tensão é de .
Passo 3
Resposta
- Portanto, a tensão é .
- Portanto, a tensão é .
- Verificado!