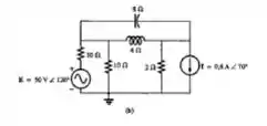
Determine as tensões nodais do circuito mostrado na figura 17.72.
a. 
b. 
Passo 1
Faaala, galerinha!! Bora resolver juntos essa questão??
Bom, antes de tudo, vamos resolver a letra a lembrando que os valores contidos nela são:
Prontinho! Agora, vamos pensar juntos aqui em algumas coisinhas: a corrente, como temos I3 e I4 saindo de I1 e dividindo-se no nó, teremos que
Mas, precisamos encontrar os valores de I3 e I4. Em I3, temos a influência de v1 e z1. Já em I4, podemos aplicar a Lei de Kirchoff, de forma que a influência de v1 e v2 sejam (v1-v2)/z2. Assim, teremos que:
Passo 2
Agora, vamos pensar pelo outro nó. Se olharmos no I4, ele também está se divergindo em I5 e I2. Sendo assim, teríamos, da mesma forma, que
Aplicando a Lei de Kirchoff, teríamos
Como queremos V1 e V2, e temos duas equações para duas incógnitas, podemos montar um sistema de equações, tendo que:
Agora, resolvendo esse sistema, teríamos que
Passo 3
Em b, nós temos um caso parecido.
Vamos organizar os valores:
Temos pela Lei de Kirchoff de correntes, que:
Sendo assim, substituindo por suas devidas equações:
Da mesma forma, temos que:
Prontinho! Montamos as equações, como em a.
Passo 4
Agora, precisamos resolver o sistema de equações, tendo que:
Resolvendo essas continhas, teremos:
Prontinho!! Encontramos tudo que nos foi pedido na letra a e b! Bora juntos pra próxima??
Resposta
a.
b.