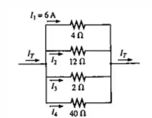
Determine o valor da corrente em cada ramo usando proporção entre os valores dos resistores em paralelo. Em seguida, determine a corrente total.

Passo 1
Oi oi, meu xuxuzinho!! Tudo bem com você?? Como está a família?? Tudo na paz?? Então vamos lá Vamos analisar o que a nossa questão nos pede e matar essa em 10 minutos?? Bora. Bom, nosso enunciado nos pede para analisarmos a figura e dizermos qual a relação das cargas. Parece muita coisa, mas é tranquilo. Partiu??
Passo 2
Ok, nosso primeiro passo vai ser lembrar qual a LKC. Preparado?? Então vamos lá...
A soma de todas as correntes que entram num nó deve ser igual à soma das correntes que saem dele. Ou seja, nada vai ficar perdido por lá. Se o sinal de alguma ficar negativo, quer dizer que você só escolheu o sentido contrário, mas não tem problema. Aqui, vamos botar TODAS as correntes que desconhecemos entrando no nó conforme formos chegando até ele.
E aii, ficou numa boa??
Passo 3
Pronto!! Agora vamos ver nossa figurinha!!
Nosso primeiro passo é saber que a corrente que entra num nó tem que ser igual à corrente que sai dele, porque nada se perde lá no meio. Como está tudo em paralelo, vamos pegar a resistência equivalente primeiro.
Agora, é só aplicar o divisor de corrente.