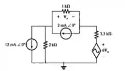
Escreva as equações nodais do circuito visto na Figura 17.74 e determine a tensão no resistor de 2k ohm.

Passo 1
Faaala, galerinha!! Bora resolver juntos essa questão??
Aqui, nós temos no nó da esquerda, que, para V1, de acordo com as Leis de Kirchoff:
Ou seja, substituindo pelo que temos no circuito:
E, além disso,
Passo 2
Já no nó da direita, temos:
Ou seja, substituindo pelo que temos no circuito:
E, além disso,
Assim, temos que, se substituirmos os valores: