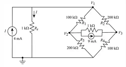
Escreva as equações nodais para a configuração em ponte mostradas na Figura 8.120. Use a abordagem padronizada.

Passo 1
Falaaaaaa pessoal, show de bola??
Bora resolver esse exercício na maciotaaaaa, então siimboraa!!
Vamos considerar a seguinte equação para converter a fonte de tensão em fonte de corrente
Onde ,
é a fonte de tensão
é a resistência da fonte
Vamos fazer as substituições numéricas
Assim , o valor da fonte atual é
Passo 2
Vamos redesenhar a rede, como mostrada a seguir

Passo 3
Vamos considerar o nó 1 na Figura 1, para encontrar a tensão usando a análise nodal
Vamos considerar o nó 2 na Figura 1, para encontrar a tensão usando a análise nodal
Vamos considerar o nó 3 na Figura 1, para encontrar a tensão usando a análise nodal
Assim, a equação (2), equação (3), e equação (4) são as equações nodais para a configuração da ponte.
Onde, as equações nodais são calculadas para a configuração da ponte.
Resposta
Assim, a equação (2), equação (3), e equação (4) são as equações nodais para a configuração da ponte.
Onde, as equações nodais são calculadas para a configuração da ponte.