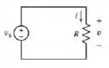
Uma fonte de tensão e um resistor estão ligados em paralelo no circuito da figura P 2.4-3. Como componentes ligados em paralelo têm a mesma tensão, , neste circuito, suponha que e . Calcule a resistência e a potência absorvida pelo resistor.

Passo 1
Eaí galera, bora iniciar mais uma questãozinha do nosso livro de circuitos!
Essa questão é bem simples sendo necessário apenas a aplicação da lei de ohm dada por:
Dada que em um circuito em paralelo a tensão encima de cada elemento é a mesma então substituindo os valores, temos:
Passo 2
Para o cálculo da potência do resistor usaremos a equação:
Substituindo temos: