a. Obtenha o circuito equivalente de Norton para o circuito externo ao capacitor visto na Figura 18.113.
b. Usando os resultados do item (a), determine a corrente i no mesmo circuito
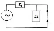
Passo 1
Falaa galerinhaa!!! Tudo certinhoo?? Bora juntos pra mais uma!!
Aqui, eu sugiro que vocês vejam o exercício 17a, são resoluções muito parecidas utilizamos dos mesmos conceitos. Mas, bora juntos nessa!
Teríamos então algo como:

Prontinho, fizemos o circuito de Norton para o circuito externo ao capacitor da Figura 18.113.
Passo 2
Na letra b, precisamos encontrar a corrente I. Para isso, precisamos calcular a corrente de Norton, tendo que:
, em que In é a corrente de Norton, V é a tensão do circuito.
Logo, temos que:
Assim, teremos, para encontrar I, que utilizar a fórmula geral para o circuito de Norton:
Logo, temos:
Como podemos ver, esse foi o mesmo valor que obtivemos no exercício 17.
É isso, galerinhaaa!! Até a próxima
Resposta
6,26 mA.