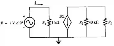
Obtenha a impedância da carga para o circuito visto na Figura 18.130 de maneira que a potência fornecida à carga seja máxima e calcule o valor dessa potência.

Passo 1
Faaaala, gente, prontos para essa questão de circuitos?
Primeiro, vamos chamar a impedância da carga que substitui de . Lembre-se que a máxima transferência de potência para carga ocorre quando , isto é, devemos obter o circuito equivalente de Thévenin para o circuito externo à carga .
Vamos listar as impedâncias desse circuito.
Pronto, estamos preparados para descobrir e .
Passo 2
Desligando as fontes e , obtemos um curto circuito e um circuito aberto em seus lugares, respectivamente.
Com isso, a malha à esquerda fica isolada do resto do circuito, de modo que
Para determinar , devemos substituir a carga por um circuito aberto e analisar os terminais. Com isso, vemos que é igual a tensão sobre . Logo, pela lei de Ohm:
e
Assim, obtemos:
Portanto, a potência máxima fornecida à carga é de: