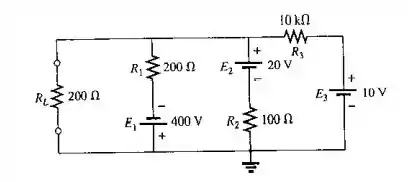
Repita o Problema 26 para o circuito mostrado na Figura 9.142.

Passo 1
Alô Alô, galerinha do responde ai, tudo bem?
Bora lá
Aplicando a lei de Ohm e convertendo a fonte de tensão em fonte de tensão
Aplicando a lei de Ohm e convertendo a fonte de tensão em fonte de tensão
Aplicando a lei de Ohm e convertendo a fonte de tensão em fonte de tensão
Passo 2
Vamos redesenhar o circuito

Passo 3
Vamos calcular a corrente total
Agora vamos calcular a resistência equivalente
Vamos encontrar a condutância total do circuito
Convertendo a fonte de corrente em fonte de tensão
Encontraremos a corrente através do resistor de carga
Resposta
Portanto, a corrente através de é e a tensão através de é .