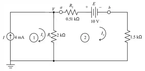
Repita o Problema 31 para o circuito mostrado na Figura 9.146.

Passo 1
Alô Alô, galerinha do responde ai, tudo bem?
Bora lá
Vamos iniciar redesenhando o circuito dado no enunciado

Passo 2
Aplicando a lei das tensões de Kirchhoff para a malha (2), temos
Substituindo
Do circuito, a corrente é
A queda de tensão no ramo a-b é
Passo 3
Os três ramos equivalentes para o ramo a-b da rede são

Resposta
Vide a imagem no passo 3.