Repita o Problema 24 se as resistências da carga forem substituídas por resistências de em série com as reatâncias indutivas de .
Passo 1
Alô Alô, galerinha do responde ai, tudo bem?
Bora lá
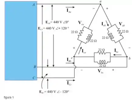
A resistência de cada perna de uma carga equilibrada conectada em Y é
A tensão de linha de um gerador conectado é
Vamos visualizar o diagrama do circuito para os dados fornecidos

Passo 2
- Para um gerador conectado, a tensão de linha é igual a tensão de fase.
- A tensão de fase da carga é igual a tensão de fase do gerador
- A corrente de fase da carga é dada por
- Em um sistema conectado, a corrente de linha é maior que a corrente de fase por um fator de raiz quadrada de 3.
Logo, a tensão de fase do gerador é
Passo 3
Logo, a tensão de fase do gerador é
Passo 4
Portanto, a corrente de fase da carga é .
Passo 5
Portanto, a corrente de linha da carga conectada é de .
Resposta
- Portanto, a corrente de fase da carga é .
- Portanto, a corrente de linha da carga conectada é de.