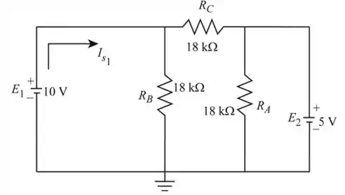
- Substitua a configuração T vista na Figura 8.125 (composta de resistores de ) por uma configuração .
- Calcule a corrente fornecida pela fonte .

Passo 1
Falaaaaaa pessoal, show de bola??
Bora resolver esse exercício na maciotaaaaa, então siimboraa!!
- Considere a fórmula e iremos encontrar a
- Vamos considerar a seguinte formula
Considerando a seguinte fórmula e encontre o a resistência do modelo
Considerando a seguinte fórmula e encontre o a resistência do modelo
Passo 2
Redesenhando

Portanto, a configuração do modelo T para o modelo é convertida e é mostrada na figura.
Passo 3
Resposta
- Vide a imagem