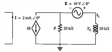
Usando o teorema da superposição, calcule a corrente no circuito visto na Figura 18.114.

Passo 1
Oii, pessoal! Prontos para mais uma questão de circuitos?
Bora começar identificando as impedâncias deste circuito:
Beleza, estamos prontos para aplicar o teorema da superposição. Lembrem-se que quando desligamos uma fonte de tensão, devemos substituí-la por um curto circuito, e ao desligar uma fonte de corrente, devemos inserir um circuito aberto em seu lugar.
Passo 2
Primeiro, vamos desligar a fonte de tensão . Note que as impedâncias e ficam em paralelo e nós podemos calcular a corrente na impedância usando o divisor de corrente:
Em seguida, vamos desligar a fonte . Agora as impedâncias e estão em série e nós podemos calcular a corrente no circuito aplicando a lei de Ohm:
Logo, a corrente na impedância pode ser calculada pela lei de Ohm:
Por fim, basta somar os valores obtidos para :
Note que invertemos o sinal de para respeitar o sentido da corrente.