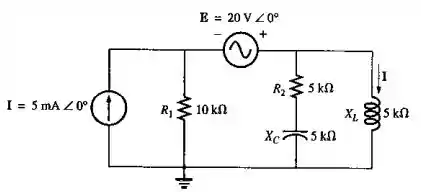
Usando o teorema da superposição, calcule a corrente no circuito visto na Figura 18.113.

Passo 1
E aí, pessoal? Vamos resolver uma questão de circuitos juntos?
Antes de começar nossa análise, vamos verificar as impedâncias deste circuito:
Show! Agora podemos aplicar o teorema da superposição. Lembrem-se que quando desligamos uma fonte de tensão, devemos substituí-la por um curto circuito, e ao desligar uma fonte de corrente, devemos inserir um circuito aberto em seu lugar.
Passo 2
Vamos desligar a fonte de tensão . Podemos associar as impedâncias e (que estão em paralelo) e depois calcular a corrente na impedância usando o divisor de corrente:
Em seguida, vamos desligar a fonte . A análise é similar, pessoal! Podemos associar as impedâncias e (que estão em paralelo) e depois calcular a tensão nesta associação usando o divisor de tensão:
Logo, a corrente na impedância pode ser calculada pela lei de Ohm:
Finalmente conseguimos determinar a corrente ! Basta somar os valores obtidos nas duas análises: