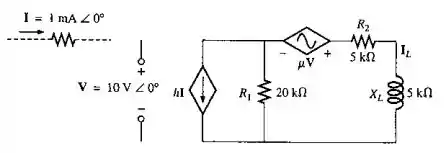
Usando o teorema da superposição, determine a corrente no circuito visto na Figura 18.116, .

Passo 1
Fala, galera! Vamos descobrir a solução dessa questão juntos?
As impedâncias deste circuito são as seguintes:
Bora então aplicar o teorema da superposição. Lembrem-se que quando desligamos uma fonte de corrente, devemos inserir um circuito aberto em seu lugar e ao desligar uma fonte de tensão, devemos substituí-la por um curto circuito.
Passo 2
Em nossa primeira análise, iremos desligar a fonte . Note que a corrente da fonte vai ser dividida entre as duas impedâncias. Logo, a corrente em será dada por:
Em seguida, vamos desligar a fonte . Agora as impedâncias estão em série e nós podemos calcular a corrente do circuito através da lei de Ohm:
Prontinho! Só falta somar o resultado das duas análises para obter a corrente :
Note que devemos inverter o sinal de pois o sentido para qual esta corrente foi calculada era oposto ao de .