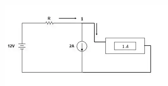
Qual o valor da resistência R da Figura P 3.2-8?
Passo 1
Faaaala, galera!! Essa tá moleza pra gente. Como mostrado na Figura P 3.2-8 a corrente que passa pelo ramo do amperímetro vale 1 A e pela LKC sabemos que a soma das correntes que entram em um nó é a soma das correntes que saem. Aplicando a LKC ao nó 1, teremos:

Passo 2
Agora, basta aplicarmos a LKT ao laço formado pela fonte de 12 V, R e o ramo do amperímetro:
Note que não teremos queda nem elevação de tensão no ramo do amperímetro, pois ele está funcionando como um curto circuito.
Passo 3
E agora que temos a corrente e atenção sobre R, basta usarmos a Lei d e Ohm para calcular o valor de R: