Se o caixote de 50 kg parte do repouso e atinge uma velocidade de v = 4m/s quando percorre uma distância de 5m para a direita, determine o módulo da força P que atua no caixote. O coeficiente de atrito cinético entre a caixa e o solo é μk=0,3.
Passo 1
E aí pessoal o enunciado pede que a gente determine o módulo da força P que atua no caixote. O coeficiente de atrito cinético entre a caixa e o solo é μk=0,3.
Cinemática: A aceleração a do caixote será determinada primeiro, pois seu movimento é conhecido.

Passo 2
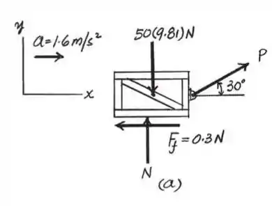
Diagrama de corpo livre: Aqui, o atrito cinético deve ser direcionado para a esquerda para se opor ao movimento do caixote que está para a direita, Fig. a.
Equações do movimento:
Usando os resultados de N e A